湖南东尤—新邵人民医院外科大楼水汽能热泵中央空调系统
2017年创新应用持续关注项目
湖南东尤—新邵人民医院外科大楼水汽能热泵中央空调系统
| 申报单位 | 案例工程名称 | 所在城市 | 技术或产品名称 |
| 湖南东尤节能有限公司 | 新邵人民医院外科大楼水汽能热泵中央空调系统 | 邵阳市新邵县 | 水汽能热泵中央空调系统 |


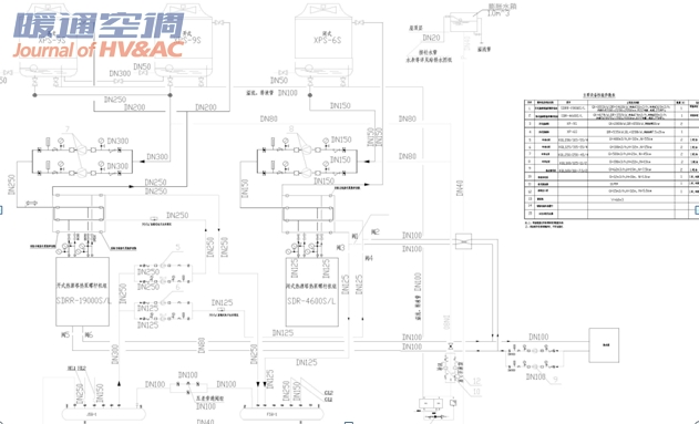
新邵县人民医院始建于1952年,现已成为集医疗、教学、科研、急救、康复、社区卫生为一体的二级甲等综合性医院,是新邵县的医疗中心。新邵县人民医院外科大楼面积约25000平方米,共17层,建筑高度65.5米,具备办公室、会议室、活动室、手术室、病房等功能房间。工程一层至十七层采用中央空调系统,夏季供冷、冬季供热。空调设计冷负荷2245kw,热负荷1840kw,包含以下五大系统设备采购以及安装调试:节能型中央空调制冷制热系统、节能控制系统、新风通风系统、防排烟系统、热回收热源系统。中央空调制冷制热主机系统采用节能型水汽能热泵空调系统(水汽能提取平台+水汽能热泵机组)。
冷热源由设置在屋顶的水汽能热泵螺杆机组提供,共2台。其中一台制冷量为:1813KW,功率334KW;制热量为1468kW,功率为364KW。另一台制冷量为:429KW,功率83KW;制热量为352kW,功率为91KW。开式水汽能提取平台2台,耗功率为22KW;闭式水汽能提取平台1台,耗功率为15KW。夏季制冷主机耗功率:454KW;冬季制热主机耗功率:356KW。制热量为352kW的水汽能热泵螺杆机组采用闭式热源塔空调系统:该系统做为提供冬季和过度季节的生活热水的热源。制热量为1813KW的水汽能热泵螺杆机组采用开式水汽能热泵空调系统:该系统夏季制冷提供空调冷源,冬季制热提供空调热源;同时该水汽能热泵螺杆机组带热回收装置,夏季制冷时由热回收装置提供夏季生活热水热源。对比可知,一个冬季供暖季(120天,10小时/天)采用水汽能热泵空调系统,比采用燃气锅炉可减少费用53.8万。节约费用54.96%。
水汽能热泵空调系统实现了四个方面的革命:第一,采用水汽能收集器将储存在大气中水蒸汽内的太阳能提取出来,通过水汽能热泵系统把水蒸汽中的热量转化为空调需要的热能。夏季能效比在5~6之间,冬季能效比在3.5以上。第二,采用能源天网系统,提供了智能化管理控制系统,使运行工况更精准,实现智能管理节能;第三,实现了一机多能,减少了机房面积;第四,采用自主研发的无腐蚀、无污染的环保溶液及溶液浓缩再生技术,提高了系统能效。而第六代产品在原有第一代至第四代成熟技术的基础上采用基于湿蒸发的冷浓缩系统专利技术,使浓缩溶液再生,更降低了运行成本。本产品已被列入湖南省发展和改革委员会文件(湘发改革节能[2015]468号节能新技术新产品推广目录)。在湖南省机关事务管理局文件(湘管发[2016]22号)中明确大力推广水汽能中央空调。




